电缆滑车 (Cable Trolley/Festoon System) 是一种用于移动设备电缆悬挂与同步移动供电的机电装置,又称拖令系统,主要为起重机、电动葫芦等移动机械提供连续、安全的电力与信号传输,具有结构简单、安装便捷、维护成本低、电缆保护好等优势,是中短距离移动供电的主流解决方案之一。
【盛世达】电缆拖令/滑车详细介绍:
盛世达动力工程(锦州)有限公司推出的电缆拖令系统,是为工业移动设备提供专业电力与数据传输解决方案的高性能产品。该系统采用经过优化轨道结构,为电缆和软管的平稳移动提供坚固的支撑与精确导向。整套系统包含主梁、专用滑车、连接件、电缆固定装置及端部组件,构成一个完整、可靠的供电或介质输送链路。其设计核心在于实现电缆在长行程直线运动中的有序收放与可靠保护,确保电力、控制信号、数据乃至压缩空气、液压油等介质连续、稳定地送达移动设备。
【盛世达】常用H型钢轨道型号:

【盛世达】电缆拖令/滑车布局图:

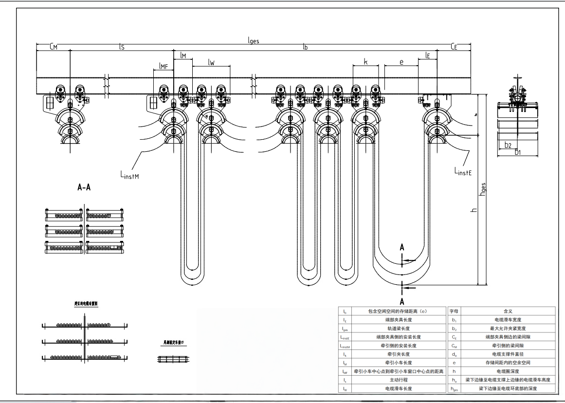
【盛世达】电缆拖令/滑车的主要技术参数:

【盛世达】电缆拖令/滑车适用的轨道形状:

【盛世达】电缆拖令/滑车特点:
高刚性结构,运行平稳:采用优质H型钢或工字钢作为承重导轨,结构强度高,抗变形能力强。滑车行走平稳顺畅,有效减少晃动与冲击,特别适用于高速、重载或长距离(可达数百米)的应用场景。
卓越的负载与保护能力:系统支持同时敷设和拖曳多根电缆及软管(如动/控缆、光缆、气管、液压管)。模块化的电缆夹持设计能有效分隔和固定各类管线,防止其相互缠绕、磨损或下垂,显著延长管线使用寿命。
优异的环境适应性:标准产品具备良好的防尘能力,关键部件可采用镀锌、不锈钢等材质或特殊表面处理,以应对高湿度、腐蚀性气氛或户外环境,满足从洁净车间到港口、钢铁厂等苛刻工况的要求。
模块化设计,易于安装维护:基于标准化、模块化理念设计,部件通用性强。现场组装简便快捷,大幅缩短安装工期。日常检查与维护点设计合理,单个滑车或部件的更换无需拆卸整条线路,维护效率高,停机时间短。
安全保障设计:滑车运行顺畅,具备防脱落、防卡滞设计。轨道端部可安装物理限位与缓冲装置,系统布局可集成安全滑触线(如需要),为整个移动供电过程提供多重安全保障。
【盛世达】电缆拖令/滑车主要领域:
物流仓储与港口码头:集装箱堆场龙门吊、轨道式集装箱门式起重机(RMG)、大型自动化立体仓库的堆垛机。
重型工业制造:钢厂原料场堆取料机、炼钢车间加料起重机、板材轧制线上的移送车。
环保与能源设施:污水处理厂抓斗式格栅除污机、垃圾焚烧发电厂的垃圾吊与渣吊、电厂煤场堆取料设备。
自动化生产线:汽车制造厂的喷涂车间穿梭机、大型工件装配线的输送车、板材激光切割机的上下料装置。
其他领域:大型舞台机械、船舶制造厂的龙门行车、试验检测中心的移动测试平台等。
【盛世达】我公司部分电缆滑车的示例图片:

【盛世达】电缆拖令/滑车的参数:

【盛世达】电缆拖令/滑车的维护:
1. 首次使用后
运行一段时间后,重新拧紧所有紧固件,确保结构稳固。
2. 半年或一年定期维护
检查电缆分布是否均匀,若拖车倾斜需及时调整。
检查电缆是否被挤压在马鞍梁上,确认排列正常。
重新紧固所有拖车紧固件。
检查滚轮磨损,磨损严重时及时更换,建议整套更换。
若各拖车磨损位置不同,需先查明原因再更换部件。
【盛世达】提示!!!
我们公司专注于电缆滑车的定制化生产,可根据客户的实际工况、轨道规格、载荷要求和行程长度进行精准选型与个性化设计。无论是工字钢、H 型钢还是特殊轨道,我们都能提供适配的滑车结构、材质和安装方式,确保电缆在移动过程中安全、稳定、低磨损。从方案设计到加工制造,我们全程根据客户需求定制,为您提供最适合的电缆敷设解决方案!
----------欢迎询价,询价需要填写以下信息---------